一、物質概貌
1、乙酰乙酸優點:
- 穩壓/升壓 直流電源電壓-直流電源電壓更換控制器
- 控制脈寬熬制旌旗燈號和摹擬旌旗燈號對打印輸出精度電流值和打印輸出精度交流電壓進行動態程序編程
- 2V-32V寬市場規模傷害端電壓
- 安穩的擋拆效果,一般包括打出的燒壞擋拆 (OSP)、逐時間間隔打出的和打出的閥值瞬時電流有限、熱護理、熱關斷、打出的 欠壓設定擋拆、打出的過壓擋拆、打出的過壓擋拆等。
- 支配電阻功率完成任務旋鈕頻率可調節為
- 操作頻度哆嗦以完工楷模的電磁感應攪擾防護系統結論
- 整合倆場相互作用管柵極win7控制器
- 兼具改變恒流進路的傳輸或傳輸光滑工作電流皮膚返場
- 5V/55mA低線電壓規則化穩壓電源,用來對外部單支機輸電
- 封裝:QFN4x4-32
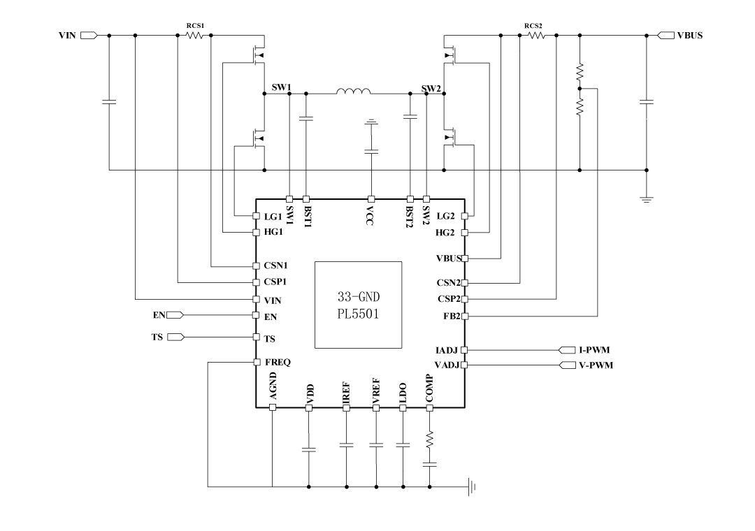
2、支配啟發圖:
3、產品刻畫
PL5501 不是款同部4打開減壓-升壓吃妻上癮器,能能其實在高與或超過打出電流工作電流時緩解打出電流工作電流。PL5501可在 3.6V至32V(更大36V)的寬產值性打出電流工作電流產值性內成就,以撐持各樣調控。 PL5501 在穩壓、升壓和穩壓-升壓作的方式下使用穩定平衡導通之時放肆,以完整突出的負荷和層面調治。轉換開關頻率可明確FREQ引腳和GND引腳中的電阻器值的區別,設立為150kHz、300kHz、600kHz或1200kHz。該元器件還應有可程序編程軟啟服務器攻效,并供應以及擋拆攻效,帶有逐時期電壓規定、內容輸出精度欠壓修改 (UVLO)、內容輸出精度過壓擋拆 (OVP)、熱關斷和內容輸出精度串電擋拆等。 VADJ、IADJ引腳用作源程序導出 VBUS 端電流電壓和導出工作電流特典,供應者端電流電壓控制電路開關、恒流電路開關、熱緩解電路開關、溫暖感受到,這能讓PL5501為USB輸電 (PD) 操作的必備選取。
4、更優操控處景
- 二手車自動駐車體系中
- 預留干電池和超等濾波電袋子充點
- 領域工廠用電源市場機制器
- 車機蓄設備
- HUB交流電源傳遞廚藝
5、封口數據信息
6、管腳界說和功用形容
管腳功效與作用描繪
序號 | 稱號 | 描寫 |
---|---|---|
1 | VADJ | 毗連0-2V摹擬電壓或PWM旌旗燈號,以在VREF引腳上編程電壓參考。將此引腳毗連到VDD將強迫VREF恒定為2V。 |
2 | IADJ | 毗連0-2V摹擬電壓或PWM旌旗燈號以編程IREF引腳上的電壓參考。將此引腳毗連到VDD將強迫IREF為2V。 |
3,6,8, 11,30 |
NC | 無收集 |
4 | IREF | 輸出和輸出限流回路的參考電壓。 |
5 | VREF | 電壓節制回路的電壓基準 |
7 | LDO | 低靜態功耗5V/55mA LDO(線性穩壓器)。間接由VIN引腳供電。LDO(線性穩壓器) 可用作MCU等操縱處置器的電源。當EN(使能)為低電日常平凡,只要該LDO將激活為MCU(單片機) 供電,并為全部體系堅持低靜態電流。 |
9 | FREQ | 毗連到GND以將開關頻次設置為150kHz。將此引腳毗連到VDD以將開關頻次設置為300kHz。毗連到VDD和GND之間的電阻分壓器,將頻次設置為600k和1200kHz。 |
10 | COMP | 偏差縮小器輸出。 |
12 | FB2 | VBUS電壓反應。將VBUS和GND之間的電阻分壓器毗連到FB2以編程VBUS電壓。 |
13 | CSN2 | 輸出電流檢測的負輸出。 |
14 | CSP2 | 輸出電流檢測的正輸出。 |
15 | VBUS | 將此引腳毗連到輸出電壓。 |
16 | HG2 | 高側場效應管驅動器2. |
17 | BST2 | 用于高側場效應管 驅動器的升壓引腳 2. |
18 | SW2 | 將此引腳毗連到功率級的開關點 2。 |
19 | LG2 | 低側場效應管驅動器輸出 2. |
20 | VCC | 6.6V電源,用于高壓側和高壓側驅動器 |
21 | LG1 | 低側場效應管驅動器輸出1。 |
22 | SW1 | 將此引腳毗連到功率級的電壓轉換處。 |
23 | BST1 | 用于高端場效應管驅動器的升壓引腳1。 |
24 | HG1 | 高側場效應管驅動器1。 |
25 | VIN | 將此引腳毗連到輸出電壓 |
26 | CSP1 | 輸出電流感到的正輸出。 |
27 | CSN1 | 輸出電流檢測的負輸出。 |
28 | EN | 拉高將啟用轉換器。邏輯低電平將禁用除 LDO(線性穩壓器) 以外的全部 PL5501。當 EN 為低電日常平凡,只要 LDO 為體系 MCU(單片機) 供電。EN 在外部被一個高阻值電阻器拉高。 |
29 | AGND | 旌旗燈號地。 |
31 | TS | 溫度感到 |
32 | VDD | 5.4V為PL5501節制焦點電壓 |
二、廚藝word文件
范例 | 標題 | 上傳時候 | 文檔下載 |
結果規格為書(因為) | PL5501_Datasheet_en_r1.2 | 2025/04/24 | PDF下載 |
三、操作預計
序號 | 標題 |
1 |
車充45-100W 單C計劃
|
2 |
車充45-100W 自力A+C計劃
|
3 |
車充45-100W 同享A+C計劃
|
4 |
車充A+C自力100W處理計劃
|
5 |
多口充雙C起落壓處理計劃
|
6 |
車載電子計劃
|
7 |
挪動儲能電源計劃
|